6N1P and 6N2P are the most popular small signal twin triodes in Russian audio. Download datasheet for this tubes here.
They was thought as 9 pin replacements for octal 6H8C (6SN7 GT) and 6H9C (6SL7 GT) respectively. Both have built - in shield. Great tubes with great sound.
In the following notes a number of typical circuits in which both 6N1P and 6N2P can be employed as amplifier and fase inverter are described.
Tubes 6N1P and 6N2P has several of other modifications which distinctive feature of which is a life-time. This tubes have extra characters at the end 6N1P-EV (or -EB) and 6N2P-EV (or -EB). We recommend the use of vacuum tubes in its applications is with a big time of life (please see all list for 6N1P and 6N2P tubes).
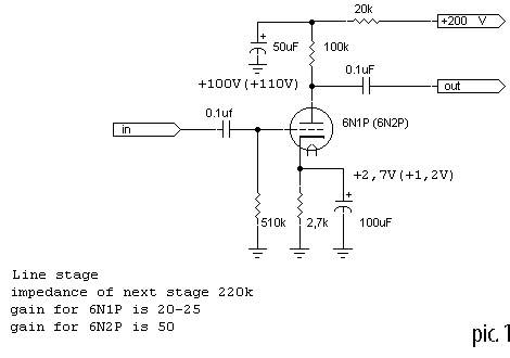
Pic. 1 shows standard line stage amplifier. You can obtain aprox. 9V (12V for 6N2P) output with THD less than 0,1%. Aprox. gain will be 20 - 25 (50 for 6N2P).

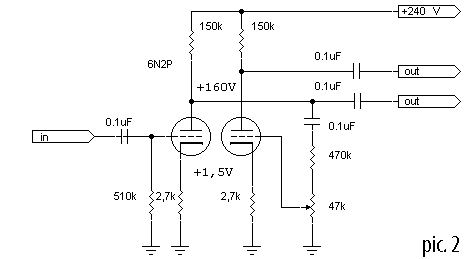
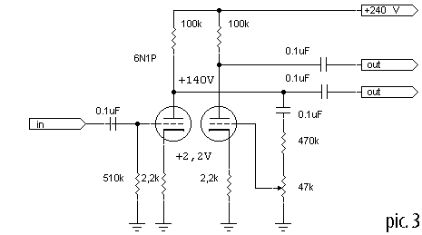
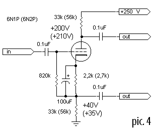
Pic. 2, pic. 3 and pic. 4 show standard fase inverters. Aprox gain is 60 for pic. 2 and 30 for pic. 3.




